ネットワーク工程表・バーチャート工程表が作成できる、おすすめの 手書き感覚でネットワーク工程表が作成できて、週間・月間・全体工程表などの機能をもちバーチャート工程表が作成できるものを探しています。 日曜祝日・休日の網掛けなどができるものがいいですね。 おすすめを紹介してください。 有料でもいいです。 なるべく簡単に作業したいです。 どれぐらい簡単なのかも Jw_cadの工程表のテンプレートをお探しですね。 広告 工程表の作成の参考になるサイト ↓9件紹介します。 工程表・業務日報・作業前点検表のフリーソフト集H H \ Excel ł̃t \ t g ł B H Ԑ \ ł K ` g H \ A 6 E ԁE T ԁE24 ԍH \ A t E t ł ȈՍH \ A o O t E T C N H \ ̑} E N e B J p X E o Ǘ Ȑ ȂǁB
1
ネットワーク 工程 表 フリー
ネットワーク 工程 表 フリー-ネットワーク工程表の作り方 只今操作説明動画作成中です。 もう暫くお待ち下さい jw_cad及びjw_winに日々お世話になっています。 空調・衛生設備の施工図を書きつつ、コツコツ諸先輩方の 線記号変形 を参考に作り上げました。 皆さんのお役に立てればネットワーク工程表 ExcelWorkPlan は基本的なエクセルの操作のみで、ネットワーク工程表を作成できるソフトです。 エクセルを使用できる方なら誰でも直感的にネットワーク工程表を作成できるということでご好評いただいております。



学科 施工管理法 工程管理 2 4 ネットワーク工程表 1級建築施工管理技士 とらの巻 R
フリーソフト 作者: 鴫原 剛 ネットワーク工程表のダウンロードページへ みんなで共有 ユーザーの評価(0 人): 0 コメント: 0 件 >>コメントを見る 最優秀ダウンロードソフト決定戦 お気に入りのソフトに投票しよう! 関連キーワード エクセル 作図 工程表 セル 「工程管理」カテゴリーのネットワーク工程表の長所は、重点管理作業の把握が容易で、労務・資材等の投入時期がわかりやすく、 工期短縮の方針を立てやすいところにあります。 反面、ネットワーク工程表の短所は、作成に手間がかかり、各作業の進捗状況の把握が困難なところです。 ガントチャート工程表は、作成 1 ネットワーク工程表の書き方・解き方 11 令和2年度電気通信工事施工管理技士(実地問題) 12 ⑴所要工期は何日か。 13 ⑵作業cの最遅完了時刻は,何日か。 2 ネットワーク工程表で必要な用語 21 クリティカルパス;
Jw_cadの工程表の雛形をお探しですね。 広告 工程表作成の参考になるサイト ↓13件紹介します。 工程表・業務日報・作業前点検表のフリーソフト集工程管理・ネットワーク工程表 のフリーソフト フリーソフト作者のホームページへのリンク集です Hottokesの部屋 EXCELで工程表を作成。製図感覚でネットワーク工程表(バーチャート工程表)を作成(描画)できる。 Nao & Shiho Home Page Excelで遊ぼう!! ネットワーク工程表を自動作成する マクロで動作するテンプレートです。 ネットワーク工程表自動作成エクセルテンプレートの無料ダウンロード フリーソフト(無料です) 作者:古川 尚弘さん 動作OS:Windows 10 エクセル10で動作確認しています。
ーネットワーク手法の用語と意味ー ネットワーク 作業の順序関係を矢線と丸印で表現した網状図 ダミー 作業の相互関係だけを表示し、実際の作業を含んでいない矢線。破線矢印。先の工程が終わらなければ次工程へ進めない。 結合点 作業またはダ 。 。 。 「ネットワーク工程表」というのをご存知でしょうか?矢印と数字入りの丸を結んでいくチャートのような図ですが、施工管理では重要な役割を果たします。 「ネットワーク工程表とは何?」 「勉強方法、問題例、アプリなどを知りたい」工程表を簡単に作る(Excel) むずかしい機能は一切使っておりません。原始的な方法ですが確実です。 Excelを使える方ならどなたでも、ネットワーク型の工程表を手書き感覚で作成できます。 一般的な建物15の事例を作成してあります。これにご自分の現場



建設共通 施工管理 工程管理 出来高 形管理 ソフト検索結果 Bimやcimをはじめ Cad 積算など建設ソフトの検索は 建設itガイド



ネットワーク工程表の問題 skk 施工管理研究室
ネットワーク工程表 エクセルのセルを利用して簡単に工程表の作図、工種入力ができる エクセルのセルを選択してフォーム (工種入力、ネットワーク工程)のボタンを押すという単純な操作で、既存の工程表に短時間で工程表をつくれます。 最新版はネットワーク工程表 のダウンロードファイル情報 ソフト名: ネットワーク工程表 ファイル: netkouteilzh / 706,171Bytes / ネットワーク工程表 を今すぐダウンロード 工程表は大きく分類すると「横線式工程表」「曲線式工程表」「出来高累計曲線」「ネットワーク式工程表」の4つに分けられます。 それぞれの工程表の種類と互換性については以下の表の通りです。 工程表の種類と互換性 バーチャート工程表の作成例 バーチャート工程表は作業ごとにか



現場ナビ工程 Page3 6 多彩な表現力 現場ナビ シリーズ



1
ネットワーク工程表におけるフロート 結合点に入る作業が一つだけの場合は,その作業のフリーフロートは0となる。 H 16 トータルフロートが0ならば,デペンデントフロートも0である。 H16 H21 トータルフロートが0 の作業をつないだものがネットワーク工程表・バーチャート工程表のフリーソフトです。 手書き感覚でネットワーク工程表が作成、バーチャート工程表の作成、 日曜祝日・振替休日の網掛け、週間・月間・全体工程表、 土曜・日曜・祝日の表示、出来高計画と実施曲線が同時に表示など。簡単にバーチャート工程表形式のネットワーク工程表を作成 マウス操作だけで簡単にバーチャート工程表形式のネットワーク工程表を作成することができるWEBサービスです。 作成した工程表はクラウド (AWS)上に保存され、いつでもどこからでも安全にご



学科 施工管理法 工程管理 2 4 ネットワーク工程表 1級建築施工管理技士 とらの巻 R



工程表作成ソフト 現場ナビ工程 体験版の詳細情報 Vector ソフトを探す
ネットワーク工程表には、工程を矢印で表示するアロー型と、作業を丸印で表示するサークル型の2種類があります。一般的には、アロー型が広く使われています。 基本用語 ・アクティビティ(作業) 矢印で作業を表示します。a、b、c・・・・・ ネットワーク工程表自動作成 Ver は、建設工事におけるネットワーク工程表 や、作業用工程フォーマットを自動作成するExcelのマクロ付テンプレートです。 建築物の規模や構造種別等を入力し休工日設定を行うと、「公共建築物の工期算定 標準」に ネットワーク工程表 (05/29) エクセル工程表システム フリー版 (05/28) スケテン for Excel (05/27) ガントチャート工程管理 ZArrow Viewer (05/26) 匠!工事工程表30 (05/25) がんすけ (05/24) 工程表(製造業向き) (05/23) ガントチャートver104 (05/22) 工程表作成支援



営業 施工計画から現場管理まで 清水建設



H26施工01 2級建築士学科試験問題 建築デザイン研究科
エクセル例題61 ネットワーク工程表の作成 図62に示すネットワーク工程表の作業時刻,余裕時間等を計算し,クリティ カルパスを求める. *a~k の各作業の開始ノード(イベント),終了ノード,所要日数を入力 *ダミー作業も同様に入力(作業日数は0とする) 図62 ネットワーク工程表 vba図に示すネットワーク工程表に関する記述として、誤っているものはどれか。 (1)作業⑥→⑨の最遅終了日は、25日である。 (2)作業⑦→⑧の最早開始日は、18日である。 (3)作業⑤→⑦のフリーフロートは、2日である。らくらく!エクセルde工程表テンプレートは VECTORソフトウェアのダウンロードページから 無料でダウンロードできます。 ダウンロードするタイミングによっては バージョンアップの可能性もあり 先のエクセルテンプレートの説明より 変更がある場合があるのでご了承ください。 またフリー



驚くほど簡単に建築工事の工程表が作れる無料エクセルテンプレート5選



わたしが現場でつくった 建築工事の工程表 を ごらんください
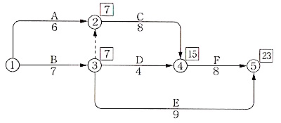
この工程の中でここにフリーフロートが何日あるとかわかるようになると完璧です。 平成29年 ネットワーク工程の問題 問題ネットワーク工程表に関する記述として、最も不適当なものはどれか? トータルフロートは,当該作業の最遅終了時刻 (lft) から当該作業の最早終了時刻 (eftネットワーク工程表 1 工事全体を単位作業(アクティビティ)の集合と考え,これらの作業を施工順序にしたがって,矢線(アロー)で表わす。 2 矢線の両端は,作業の開始及び終了を意味し 印(結合点,イベント)で表わす。 矢線の長さは時間に無ネットワーク工程表とは、作業工程を矢印と丸印の結び付きによって表した工程表です。たとえば、以下のように記載されます。 例)①→②→③ ①の作業が完了したら②へ、②の作業が完了したら③へと続く 各作業の項目とその日数、前後の工事を関連付けることにより、工事全体の工程の



下に示すネットワーク工程表h15 skk 施工管理研究室



簡単 Excel工程表 フリーウェア版 の詳細情報 Vector ソフトを探す
2工程表において、作業HのEFT(最早終了時刻)とフリーフロートをそれぞれ日数で答えなさい。 作業HのEFT(最早終了時刻)は10+12日=22日、FFは26-10-12日=4日 3工程表において、作業Dと作業Kがそれぞれ3日間遅延したときの①から⑪までの総所要日数を答えなさい。 下のネットワーク工ネットワーク工程表に使用される用語と解説 工程管理1 ネットワーク 工程表用語 土木 施工管理技士に挑戦 建築 施工管理技士に挑戦 管工事 施工管理技士に挑戦 造園 施工管理技士に挑戦 施工管理技士共通 施工管理 工程管理 品質管理 安全管理 施工管理問題 用 語 記号 説 明 表示 フリー フロートは ネットワーク工程表 は、バーチャート工程表に比べ、作成には手法の知識と多くデータが必要で、多くの労力を必要とする。 (関連) バーチャート工程表に比べ、各作業の順序や因果関係が明確になり、工事手順の検討ができる。 カテゴリー 15学科/施工管理 タグ 1級



Excelそっくり超カンタン工程表ソフト 工程さんの詳細情報 Vector ソフトを探す



ネットワーク 問題まとめ 施工管理研究室



実施工程表は大切な資産 もぐらくん



足し算と引き算ができればできるネットワーク工程表 実践編 H25 2建実地 1 Youtube



ネットワーク工程表



1級建築施工 第一次検定 ネットワーク工程の用語 解説 解き方 建築施工管理技士への道



テンプレート付き 工程表をエクセルで作成する理由や種類とは 建築現場の知恵袋



工程表に革命 表計算ソフトからbimへ 日経クロステック Xtech



施工管理技士試験 ネットワーク工程表 スライドショー解説 Youtube



バーチャート工程表の書き方 かんたん工程表作成ソフト 工作2プラス 原価管理ソフト ミヤシステム株式会社



営業 施工計画から現場管理まで 清水建設



埼玉県型6ヶ月と7ヶ月と8ヶ月タイプのエクセル工程表です



エクセルの工程表 テンプレート集 無料ダウンロード 新作 無料ダウンロード エクセルのテンプレート



1



学科 施工管理法 工程管理 2 4 ネットワーク工程表 1級建築施工管理技士 とらの巻 R



工程表自動作成ソフト コストナビ工程表オート ソフト詳細情報 Bimやcimをはじめ Cad 積算など建設ソフトの検索は 建設itガイド



ネットワーク工程表の計算 skk 施工管理研究室



1



工程表作成 出来高日報管理ktwin ネットワーク バーチャート対応



ネットワーク 問題まとめ 施工管理研究室



ネットワークでもバーチャートでもおすすめの無料フリーソフトです



ネットワーク工程表と戦え 生粋の現場監督 建築士への道 Teacup ブログ Autopage



ネットワーク 工程の関連付け 株式会社ウェッブアイ



説明 説明 E My Documents Homepage Wakwak Public Html Professionalの為のエクセル工程表作成ソフト Excel07以降の32ビット版excelに完全対応版 インテリ 工程表支援アドイン For Excel バージョン Wisdom 500 インテリ ライン修正機能



工程表 令和対応 もぐらくん



足し算と引き算ができればできるネットワーク工程表 実践編 H25 2建実地 2 Youtube



1級土木施工管理技士 過去問分析に基づく試験合格対策32 施工の神様



コストナビ工程表機能一覧



フリーソフト ページ 5 新作 無料ダウンロード エクセルのテンプレート



施工 施工計画 工程管理 建築士はじめの一歩



ネットワーク 問題まとめ 施工管理研究室



工程管理ソフトの決定版 Cadpert



営業 施工計画から現場管理まで 清水建設



工程表とは 工程表の種類や工程管理の目的を解説 工務店 リフォーム 建築会社向け業務管理システム Anyone エニワン



テンプレート付き 工程表をエクセルで作成する理由や種類とは 建築現場の知恵袋



工程表作成システム



工程管理ソフトの決定版 Cadpert



工程表作成ソフト 現場ナビ工程 体験版の詳細情報 Vector ソフトを探す



建築ソフト株式会社 コストナビ工程表



平成28年 施工管理実地アロー形ネットワーク工程 Youtube



下に示すネットワーク工程表に関する次の記述のうち 最も不 二級建築士問題集



ネットワーク工程表とは ルールや書き方 メリットを解説 Conmaga コンマガ



工程表作成 出来高日報管理ktwin ネットワーク バーチャート対応



今使っているexcel エクセル の工程表を便利にするアドオンです



簡単 Excel工程表の詳細情報 Vector ソフトを探す



施工管理技士試験で必須 ネットワーク工程表問題の書き方 解き方 Shachi S Info



ネットワーク工程表自動作成エクセルテンプレートの無料ダウンロード 新作 無料ダウンロード エクセルのテンプレート



ネットワーク工程表とは ルールや書き方 メリットを解説 Conmaga コンマガ



1級実地試験のネットワーク工程表 計算 めざせ 1級電気工事施工管理技士



簡単 ネットワーク工程表の解き方 クリティカルパスを見極めよ



わたしが現場でつくった 建築工事の工程表 を ごらんください



資格論 過去問攻略 電気通信施工管理 施工管理編 ネットワーク工程表と利益図表 だいだい論



工程管理ソフトの決定版 Cadpert



アロー型ネットワーク工程表 今 便利に使っている相棒の一つ Cad アクティブ プロパティマネジメント Facebook



驚くほど簡単に建築工事の工程表が作れる無料エクセルテンプレート5選



図に示すネットワーク工程表に関する記述として 不適当なも 一級建築施工管理技士問題集



工程管理 Ex Trend武蔵 エクストレンド武蔵 土木cad 福井コンピュータ



作業工程表とは 種類と簡単な作り方を紹介 タスク プロジェクト管理ツールjooto ジョートー



学科施工管理法 工程管理 2 3 ネットワーク工程表 1級建築施工管理技士 とらの巻 R



苦手のネットワーク工程表を終えて講座は終了 資格の達人ブログ 目指せ五百資格 百名山 百名城 百名湯



3



1土木のネットワーク工程表 skk 施工管理研究室



説明 説明 E My Documents Homepage Wakwak Public Html Professionalの為のエクセル工程表作成ソフト Excel07以降の32ビット版excelに完全対応版 インテリ 工程表支援アドイン For Excel バージョン Wisdom 500 インテリ ライン修正機能



建築工程支援システムの概要



工程計画 関連用語解説 一般用語



コストナビ工程表機能一覧



工程表とは 工程表の種類や工程管理の目的を解説 工務店 リフォーム 建築会社向け業務管理システム Anyone エニワン



29年度二級管工事施工管理技士 問題と解説



ネットワーク工程表 クリティカルパス を求める問題を攻略 黒猫の足音 Note



ネットワーク式工程表



工程表とは 工程管理ソフトおすすめ7選も紹介 施工管理 業務管理システムなら アイピア



1級実地試験のネットワーク工程表 計算 めざせ 1級電気工事施工管理技士



Nw工程表 ウェストフィールド株式会社



工程表作成ソフト 現場ナビ工程 体験版の詳細情報 Vector ソフトを探す



Concom 現場のマネジメント学 コンテンツ コスト管理の達人 ポイント4 段取り八分 工程を制するものは現場管理を制す 工程管理



ネットワーク工程表の作成 Jw Cad Sketchup Inkscape Gimpの講習 横浜cad設計 Ycad です オンラインレッスン フリーソフトでコスト削減業務を提案します



エクセル 工程表自動作成テンプレートの無料ダウロード 新作 無料ダウンロード エクセルのテンプレート



工程表作成システム Patpro



驚くほど簡単に建築工事の工程表が作れる無料エクセルテンプレート5選



Sakabe Academy 建築一級施工管理技士用語集



Nw工程表 ウェストフィールド株式会社



施工管理技士試験 アロー形ネットワーク工程表の動画解説 Youtube



1級実地試験のネットワーク工程表 計算 めざせ 1級電気工事施工管理技士



ネットワーク工程表 建築 Kenken



ネットワーク工程表の書き方 かんたん工程表作成ソフト 工作2プラス 原価管理ソフト ミヤシステム株式会社



ネットワーク工程表 関連 skk 施工管理研究室



Excelworkplanの詳細情報 Vector ソフトを探す



驚くほど簡単に建築工事の工程表が作れる無料エクセルテンプレート5選



資格 管工事 ネットワーク工程表 Part48 Youtube



ネットワーク工程表をエクセル10で作図できます



徹底解説 ネットワーク工程表とは



Excel操作で 超簡単に工程表がつくれます フリーソフト


No comments:
Post a Comment